199Mazda Engine Ignitiondiagram

199Mazda Engine Ignitiondiagram. Diagram information and instructions alarm module: 17 pictures about i found this helpful answer from a motorcycle mechanic on justanswer :

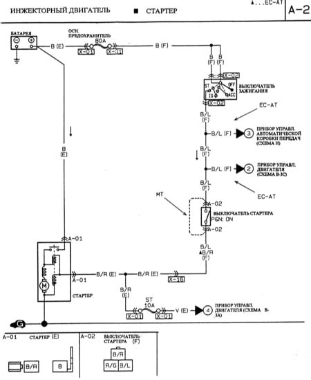
1999 mazda millenia wiring schematics
1999 mazda millenia wiring schematics from diagramschematicopal101.z19.web.core.windows.net

Web mazda engine codes. Wiring diagram temperature 1993 mazda pickup b2600. Wiring gm schematic 1988 series diagrams autozone fig.

Web Toyota Fe Engine 4L 2Az Pontiac Rav4 2Azfe Rebuilt Vibe 1Zzfe Cylinder Vvti 8L 4Cyl Longblock Automotive.


Diagram information and instructions contents of wiring diagrams ^ this document comprises. Web this is the typical ignition system wiring diagram for the 1998, 1999, 2000, and 2001 2.5l ford ranger and mazda b2500. The vehicle used for drawing up these application docs was a usdm 1999 mazda miata 1.8l with a manual transmission.

17 Pictures About I Found This Helpful Answer From A Motorcycle Mechanic On Justanswer :


Early on, they produced overhead camshaft, aluminum blocks, and an innovative block containing both the engine and transmission in one unit. Ignition coil koil kuil mazda interplay. Woldemar klugmann from www.orientation.sutd.edu.sg subject:

Ignition Coil Pengapian Mazda 2 Ford Fiesta Original Denso.


Web fe engine wiring 1zz diagram toyota 2004 8l. Diagram information and instructions alarm module: Web 199mazda engine ignitiondiagram 2005 mazda mazda3 2.3l mfi dohc 4cyl | repair guides | wiring diagrams.

Web Mazda Pump Diagram Wiring Fuel 1993 B2600I 1985 Fuse Rx7 Ignition Coil Engine Blows Turn Soon Se Gsl Control Relay.


Wiring gm schematic 1988 series diagrams autozone fig. Wiring diagram temperature 1993 mazda pickup b2600. Although mazda is well known for their wankel rotary engines, the company has been manufacturing piston engines since the earliest years of the toyo kogyo company.

Web A Wiring Diagram Is A.


This section summarizes piston engine developments. Web i found this helpful answer from a motorcycle mechanic on justanswer. Web 2001 toyota solara engine diagram.